SJ 3117-1988标准基本信息
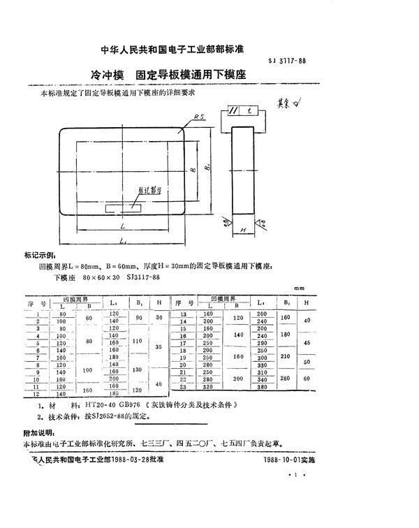
标准名称:冷冲模 固定导板模用下模座
标准号:SJ 3117-1988
标准格式:PDF
标准分类:行业标准
标准大小:45.4 KB
SJ 3117-1988 冷冲模 固定导板模用下模座

SJ 3117-1988标准基本信息
标准名称:冷冲模 固定导板模用下模座
标准号:SJ 3117-1988
标准格式:PDF
标准分类:行业标准
标准大小:45.4 KB
SJ 3117-1988 冷冲模 固定导板模用下模座

声明:资源收集自用户分享或网络,仅为个人学习参考使用,如侵犯您的权益,请联系我们处理。
不能下载?报告错误