JB/T 6431-1992标准基本信息
标准名称:容积式压缩机用灰铸铁件技术条件
标准号:JB/T 6431-1992
发布日期:1992-07-20
实施日期:1993-01-01
制修订:制定
批准发布部门:机械工业部
行业分类:无
标准类别:无
起草单位:
起草人:

JB/T 6431-1992标准基本信息
标准名称:容积式压缩机用灰铸铁件技术条件
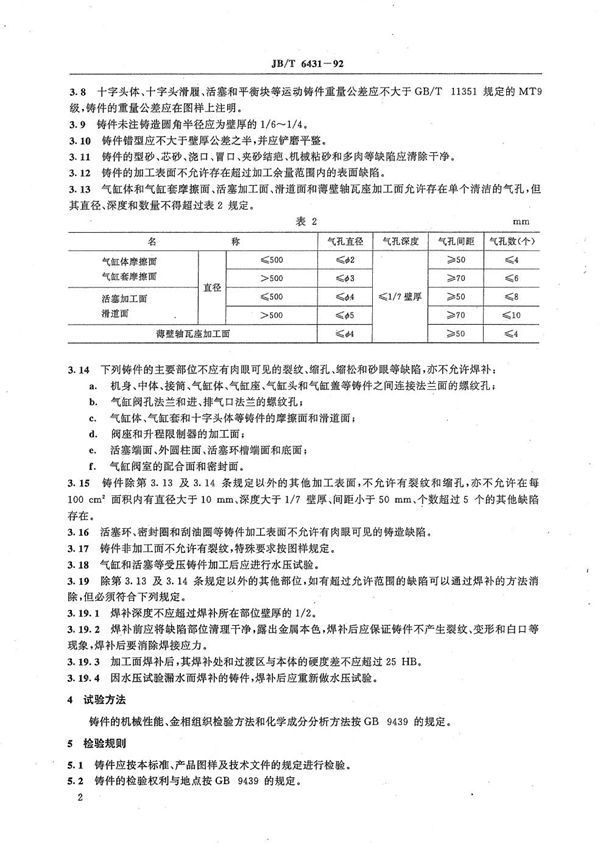
标准号:JB/T 6431-1992
发布日期:1992-07-20
实施日期:1993-01-01
制修订:制定
批准发布部门:机械工业部
行业分类:无
标准类别:无
起草单位:
起草人:

声明:资源收集自用户分享或网络,仅为个人学习参考使用,如侵犯您的权益,请联系我们处理。
不能下载?报告错误