YD/T 638.13-1993标准基本信息
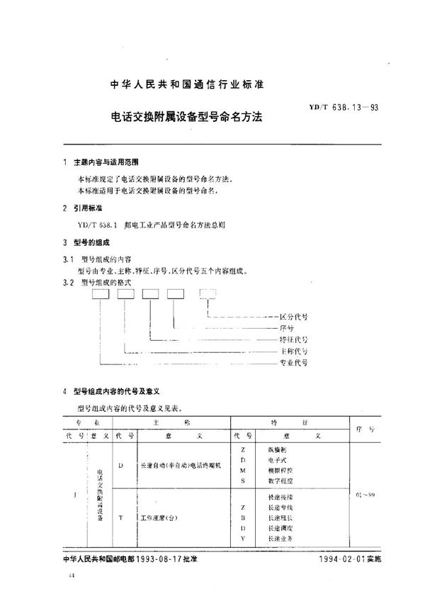
标准名称:电话交换附属设备型号命名方法
标准号:YD/T 638.13-1993
发布日期:1993-08-17
实施日期:1994-02-01
制修订:制定
批准发布部门:邮电部
行业分类:无
标准类别:无
起草单位:
起草人:

YD/T 638.13-1993标准基本信息
标准名称:电话交换附属设备型号命名方法
标准号:YD/T 638.13-1993
发布日期:1993-08-17
实施日期:1994-02-01
制修订:制定
批准发布部门:邮电部
行业分类:无
标准类别:无
起草单位:
起草人:

声明:资源收集自用户分享或网络,仅为个人学习参考使用,如侵犯您的权益,请联系我们处理。
不能下载?报告错误