CB/T 3667.6-1995标准基本信息
标准名称:船舶电缆敷设和电气设备安装附件 电缆敷设支承件及附件
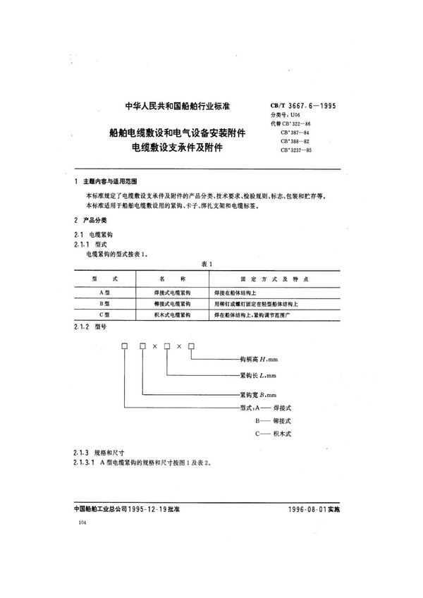
标准号:CB/T 3667.6-1995
发布日期:1995-12-19
实施日期:1996-08-01
制修订:修订
代替标准:CB 322-1986 ;CB 387-1984 CB 388-1982
批准发布部门:中国船舶工业总公司
行业分类:无
标准类别:无
起草单位:
起草人:

CB/T 3667.6-1995标准基本信息
标准名称:船舶电缆敷设和电气设备安装附件 电缆敷设支承件及附件
标准号:CB/T 3667.6-1995
发布日期:1995-12-19
实施日期:1996-08-01
制修订:修订
代替标准:CB 322-1986 ;CB 387-1984 CB 388-1982
批准发布部门:中国船舶工业总公司
行业分类:无
标准类别:无
起草单位:
起草人:

声明:资源收集自用户分享或网络,仅为个人学习参考使用,如侵犯您的权益,请联系我们处理。
不能下载?报告错误