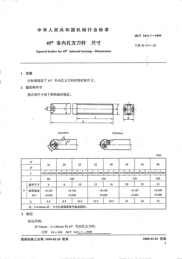
JB/T 3411.7-1999标准基本信息
标准名称:45°车内孔方刀杆 尺寸
标准号:JB/T 3411.7-1999
发布日期:1999-05-20
实施日期:2000-01-01
制修订:修订
代替标准:JB 3417-1983
批准发布部门:国家机械工业局
行业分类:无
标准类别:无
起草单位:
起草人:

JB/T 3411.7-1999标准基本信息
标准名称:45°车内孔方刀杆 尺寸
标准号:JB/T 3411.7-1999
发布日期:1999-05-20
实施日期:2000-01-01
制修订:修订
代替标准:JB 3417-1983
批准发布部门:国家机械工业局
行业分类:无
标准类别:无
起草单位:
起草人:

声明:资源收集自用户分享或网络,仅为个人学习参考使用,如侵犯您的权益,请联系我们处理。
不能下载?报告错误