QB/T 1622.3-1992标准基本信息
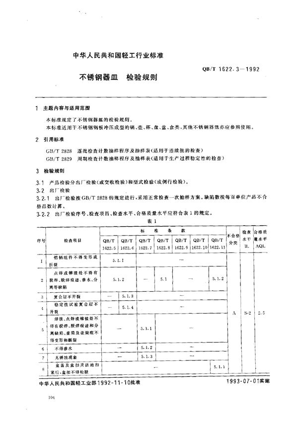
标准名称:不锈钢器皿 检验规则
标准号:QB/T 1622.3-1992
发布日期:1992-11-10
实施日期:1993-07-01
制修订:制定
批准发布部门:轻工业部
行业分类:无
标准类别:无
起草单位:
起草人:

QB/T 1622.3-1992标准基本信息
标准名称:不锈钢器皿 检验规则
标准号:QB/T 1622.3-1992
发布日期:1992-11-10
实施日期:1993-07-01
制修订:制定
批准发布部门:轻工业部
行业分类:无
标准类别:无
起草单位:
起草人:

声明:资源收集自用户分享或网络,仅为个人学习参考使用,如侵犯您的权益,请联系我们处理。
不能下载?报告错误