免费标准网 - 标准下载、免费文档下载网站
搜索
当前位置:
首页
>
工程建设
> 内容详情
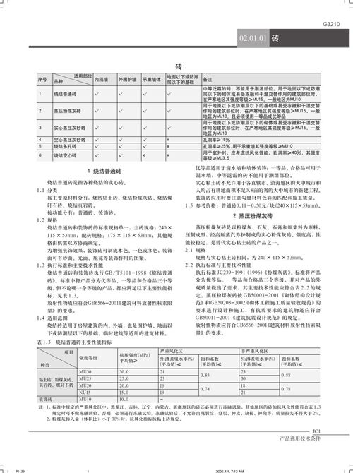
建筑产品选用技术条件-建筑
建筑产品选用技术条件-建筑
(配图)建筑产品选用技术条件-建筑
收藏
下载
声明:资源收集自用户分享或网络,仅为个人学习参考使用,如侵犯您的权益,请联系我们处理。
不能下载?报告错误
翻页:
建筑产品选用技术条件-暖通动力
相关内容
智慧住区及智能建筑产品系列标准应用实施指南 2019年版
2009JSCS-10.1全国民用建筑工程设计技术措施-建筑产品选用技术(建筑.装修)
2009JSCS-10.1全国民用建筑工程设计技术措施-建筑产品选用技术(建筑.装修)
2009JSCS-CP2全国民用建筑工程设计技术措施 建筑产品选用技术(水、暖、电) 高清版
2009JSCS-CP1全国民用建筑工程设计技术措施 建筑产品选用技术(建筑•装修) 高清版
下载
免费下载
收藏
报错
热门标签
11zj901图集
仪表
建设规范
螺栓
胶合板
QB(轻工)
工业自动化
精密机械、珠宝
XB(稀土)
江苏省
城镇建设
DZ(地质矿产)
YB(黑色冶金)
食用油
路桥
电气安全
检测规范
图集吧
国标
行业
地方
团体
企业
计量
手册
建设
文档
首页