免费标准网 - 标准下载、免费文档下载网站
搜索
当前位置:
首页
>
学习手册
> 内容详情
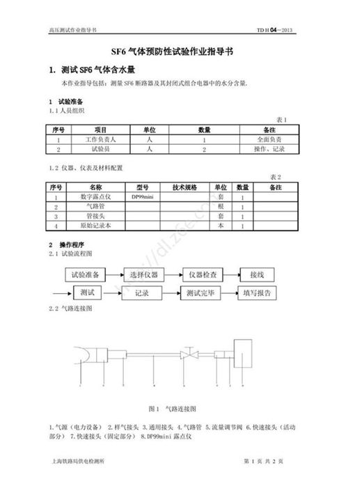
SF6气体预防性试验
SF6气体预防性试验(4页)下载大小:0.27MB
(图) SF6气体预防性试验
收藏
下载
声明:资源收集自用户分享或网络,仅为个人学习参考使用,如侵犯您的权益,请联系我们处理。
不能下载?报告错误
翻页:
Q-GDW10229-2025 架空接地极线路施工及验收规范
相关内容
500kv变电站设备原理培训课件(168页)
全套接地和连接培训手册(323页)
美式箱式变电站工程图集(100页)
中电建 海上光伏设计要点分析及案例分享
2023海上风电施工新技术
下载
免费下载
收藏
报错
热门标签
湖北省
近期更新
无缝管
YB(黑色冶金)
食用盐
国家职业卫生
圆钢
检验检测
工业自动化
15j403图集
垫片
交通运输、仓储和邮政业
电动车
木材技术
流体系统和通用件
卫生间图集
LB(旅游)
宁夏回族自治区
国标
行业
地方
团体
企业
计量
手册
建设
文档
首页