免费标准网 - 标准下载、免费文档下载网站
搜索
当前位置:
首页
>
学习手册
> 内容详情
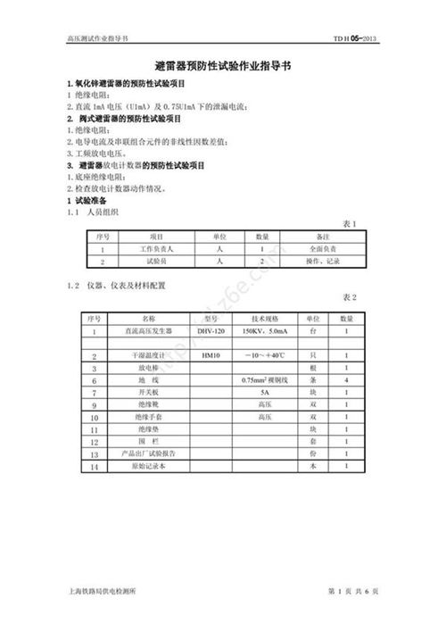
避雷器预防性试验
避雷器预防性试验(6页)下载大小:0.76MB
(图) 避雷器预防性试验
收藏
下载
声明:资源收集自用户分享或网络,仅为个人学习参考使用,如侵犯您的权益,请联系我们处理。
不能下载?报告错误
翻页:
比亚迪 电网60MVA-120MWhAC10kV储能系统cube解决方案
相关内容
2023年8月4日 电气试验标准化作业指导书(电缆 变压器 避雷器)
JJF 2194-2025 氧化锌避雷器测试仪校准规范
避雷器的结构和试验
T/CACE 0160-2024 温室气体 产品碳足迹量化方法与要求 交流避雷器
10kV配电网避雷器的应用
下载
免费下载
收藏
报错
热门标签
MZ(民政)
甲醛
伸缩缝图集
排水沟图集
XF(消防救援)
建筑安装工程施工图集
联轴器
数据
近期更新
螺母
GC(国家物资储备)
安全帽
服装工业
水箱图集
GM(国密)
SH(石油化工)
工程建设
广东省
国标
行业
地方
团体
企业
计量
手册
建设
文档
首页