免费标准网 - 标准下载、免费文档下载网站
搜索
当前位置:
首页
>
学习手册
> 内容详情
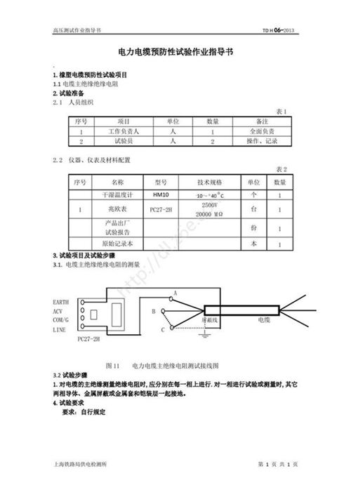
电力电缆预防性试验
电力电缆预防性试验(1页)下载大小:0.16MB
(图) 电力电缆预防性试验
收藏
下载
声明:资源收集自用户分享或网络,仅为个人学习参考使用,如侵犯您的权益,请联系我们处理。
不能下载?报告错误
翻页:
电缆工程土建
相关内容
《配电线路工程》 课件 项目四 电力电缆线路认知及操作
电力电缆及电缆附件基本知识
高压电力电缆附件制作工艺常见问题及对策
QGDW 10512-2024 电力电缆及通道运维规程
低压电力电缆接地和中心导体截面选择的讨论
下载
免费下载
收藏
报错
热门标签
排水检查井图集
DZ(地质矿产)
甲醛
卫生间图集
05s502图集
中心孔
焊接
行业计量技术
角钢
防火门图集
热处理
建筑安装工程施工图集
食品技术
过滤器
插头
建筑业
内蒙古自治区
食品
国标
行业
地方
团体
企业
计量
手册
建设
文档
首页