免费标准网 - 标准下载、免费文档下载网站
搜索
当前位置:
首页
>
学习手册
> 内容详情
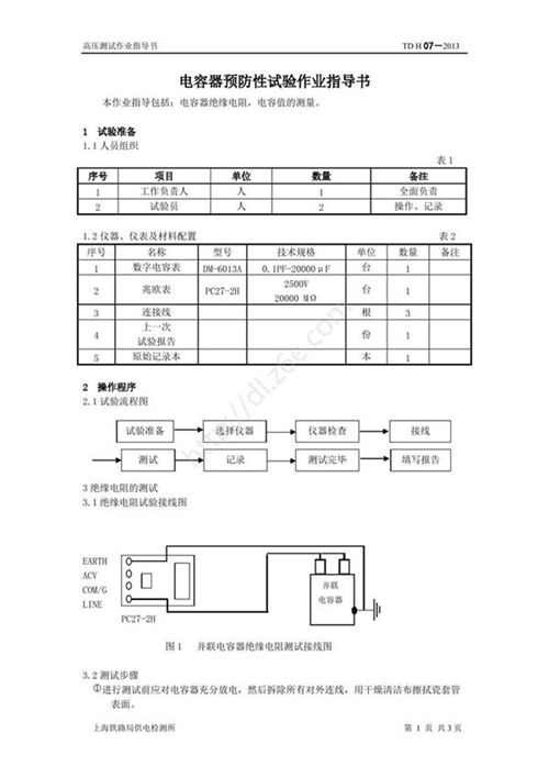
电容器预防性试验
电容器预防性试验(3页)下载大小:0.26MB
(图) 电容器预防性试验
收藏
下载
声明:资源收集自用户分享或网络,仅为个人学习参考使用,如侵犯您的权益,请联系我们处理。
不能下载?报告错误
翻页:
电气值班员 第2版
相关内容
QGDW 76007.2-2024 1000kV变电站用并联电容器成套装置(不含电抗器)采购标准 第2部分 110kV-240Mvar-5%电抗率框架式并联电容器成
电力电容器和电力电缆绝缘
DLT 366-2010 串联电容器补偿装置一次设备预防性试验规程
电容器基本知识培训
电容器基本原理及运维方法
下载
免费下载
收藏
报错
热门标签
道路图集
排水检查井图集
电缆
密封圈
垫片
TY(体育)
JG(建筑工程)
垫圈
抽样
石油及相关技术
止回阀
人防图集
JY(教育)
08ss523图集
HB(航空)
WJ(兵工民品)
FZ(纺织)
宁夏回族自治区
国标
行业
地方
团体
企业
计量
手册
建设
文档
首页