免费标准网 - 标准下载、免费文档下载网站
搜索
当前位置:
首页
>
学习手册
> 内容详情
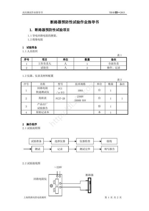
断路器预防性试验
断路器预防性试验(3页)下载大小:0.18MB
(图) 断路器预防性试验
收藏
下载
声明:资源收集自用户分享或网络,仅为个人学习参考使用,如侵犯您的权益,请联系我们处理。
不能下载?报告错误
翻页:
电网工程设备材料信息参考价(2025年第一季度)总第51期
相关内容
低压断路器的选型与整定
10kV真空断路器交流耐压试验作业指导书
Q/GDW 12222-2022 柔性直流系统直流断路器检修规范
国网 断路器培训课件
隔离断路器运维检修策略
下载
免费下载
收藏
报错
热门标签
胶合板
化工技术
计量学和测量、物理现象
建筑节能
DY(电影)
SY(石油天然气)
土木工程
花键
航空器和航天器工程
给水排水
玻璃
烟道图集
文化、体育和娱乐业
陕西省
线材
紧固件
建筑安装工程施工图集
不锈钢
国标
行业
地方
团体
企业
计量
手册
建设
文档
首页