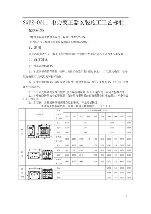
电力变压器安装施工工艺标准是指导电力变压器现场安装工作的规范性文件,旨在确保变压器安装过程的安全、质量和效率。该标准涵盖了从设备进场验收、基础检查、就位调整、附件安装、电气连接、绝缘油处理(如适用)、交接试验到最终投运的全过程技术要求。标准强调安装前的准备工作、施工中的关键控制点以及安装后的检查与测试,确保变压器符合设计规范、运行稳定可靠,并满足电网安全运行的要求。通过遵循这一标准,可有效避免安装缺陷,延长设备寿命,保障电力系统的稳定供电。
电力变压器安装施工工艺标准(15页)下载大小:18.26MB

