GB 6085-1985标准基本信息
标准名称:回转工作台参数
标准号:GB 6085-1985
标准格式:PDF
标准分类:国家标准
标准大小:25.58 KB
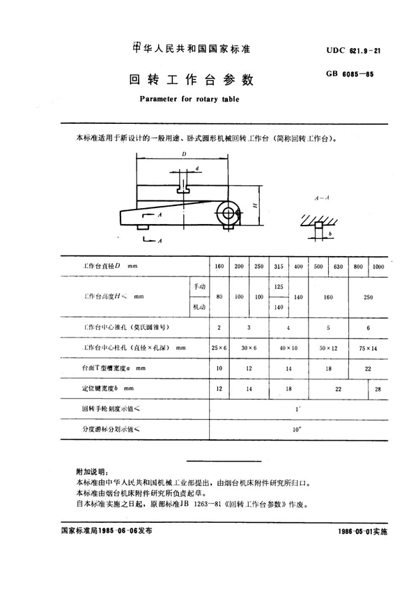
GB 6085-1985 回转工作台参数

GB 6085-1985标准基本信息
标准名称:回转工作台参数
标准号:GB 6085-1985
标准格式:PDF
标准分类:国家标准
标准大小:25.58 KB
GB 6085-1985 回转工作台参数

声明:资源收集自用户分享或网络,仅为个人学习参考使用,如侵犯您的权益,请联系我们处理。
不能下载?报告错误