当前位置:首页 > 国家标准 > GB 9056-1988

GB 9056-1988 钢直尺

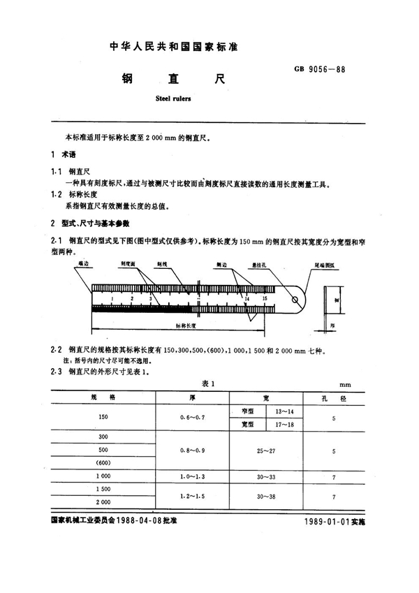
GB 9056-1988标准基本信息

标准名称:钢直尺

标准号:GB 9056-1988

标准格式:PDF

标准分类:国家标准

标准大小:151.31 KB

GB 9056-1988 钢直尺

GB 9056-1988 钢直尺

声明:资源收集自用户分享或网络,仅为个人学习参考使用,如侵犯您的权益,请联系我们处理。

不能下载?报告错误