当前位置:首页 > 国家标准 > GB 12986-1991

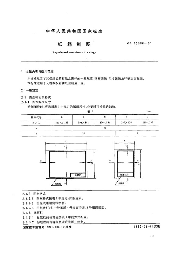
GB 12986-1991 纸箱制图

GB 12986-1991标准基本信息

标准名称:纸箱制图

标准号:GB 12986-1991

标准格式:PDF

标准分类:国家标准

标准大小:321.04 KB

GB 12986-1991 纸箱制图

声明:本站为网络服务提供者及网络索引服务平台资源索引自网络/用户分享,如有版权问题,请联系站方删除。

不能下载?报告错误