当前位置:首页 > 国家标准 > GB 445-1977

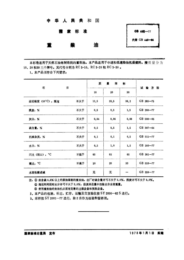
GB 445-1977 重柴油

GB 445-1977标准基本信息

标准名称:重柴油

标准号:GB 445-1977

标准格式:PDF

标准分类:国家标准

标准大小:46.54 KB

GB 445-1977 重柴油

GB 445-1977 重柴油

声明:资源收集自用户分享或网络,仅为个人学习参考使用,如侵犯您的权益,请联系我们处理。

不能下载?报告错误
相关内容