当前位置:首页 > 国家标准 > GB 21-1976

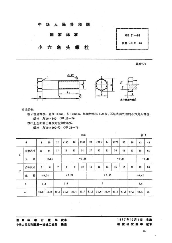
GB 21-1976 小六角头螺栓

GB 21-1976标准基本信息

标准名称:小六角头螺栓

标准号:GB 21-1976

标准格式:PDF

标准分类:国家标准

标准大小:154.3 KB

GB 21-1976 小六角头螺栓

GB 21-1976 小六角头螺栓

声明:资源收集自用户分享或网络,仅为个人学习参考使用,如侵犯您的权益,请联系我们处理。

不能下载?报告错误