当前位置:首页 > 行业标准 > CB 3014-1977

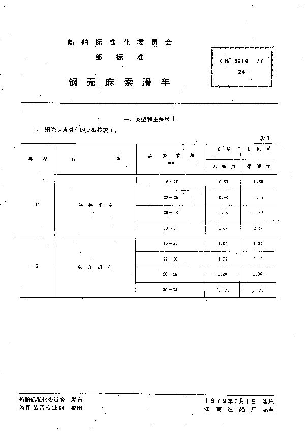
CB 3014-1977 钢壳麻索滑车

CB 3014-1977标准基本信息

标准名称:钢壳麻索滑车

标准号:CB 3014-1977

发布日期:1977-01-01

实施日期:1979-07-01

制修订:制定

批准发布部门:中国船舶工业集团公司

行业分类:无

标准类别:无

起草单位:

起草人:

CB 3014-1977 钢壳麻索滑车

声明:资源收集自用户分享或网络,仅为个人学习参考使用,如侵犯您的权益,请联系我们处理。

不能下载?报告错误