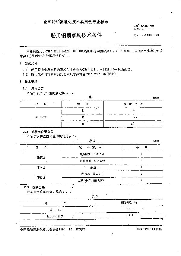
CB 3233-1984标准基本信息
标准名称:船用厨房钢质家具技术条件
标准号:CB 3233-1984
发布日期:1984-12-17
实施日期:1986-03-01
制修订:修订
代替标准:CBM 2038-1982
批准发布部门:中国船舶工业集团公司
行业分类:无
标准类别:无
起草单位:
起草人:

CB 3233-1984标准基本信息
标准名称:船用厨房钢质家具技术条件
标准号:CB 3233-1984
发布日期:1984-12-17
实施日期:1986-03-01
制修订:修订
代替标准:CBM 2038-1982
批准发布部门:中国船舶工业集团公司
行业分类:无
标准类别:无
起草单位:
起草人:

声明:资源收集自用户分享或网络,仅为个人学习参考使用,如侵犯您的权益,请联系我们处理。
不能下载?报告错误