JB/ZQ 4308-2006标准基本信息
标准名称:大侧间隙梯形螺纹
英文名称:Trapezoidal thread with large side clearance
标准号:JB/ZQ 4308-2006
发布日期:
实施日期:
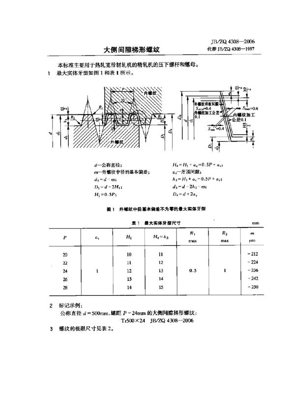
本标准主要用于热轧宽带材轧机的精轧机的压下螺杆和螺母。

JB/ZQ 4308-2006标准基本信息
标准名称:大侧间隙梯形螺纹
英文名称:Trapezoidal thread with large side clearance
标准号:JB/ZQ 4308-2006
发布日期:
实施日期:
本标准主要用于热轧宽带材轧机的精轧机的压下螺杆和螺母。

声明:资源收集自用户分享或网络,仅为个人学习参考使用,如侵犯您的权益,请联系我们处理。
不能下载?报告错误