JB/ZQ 4490-2006标准基本信息
标准名称:钢管外径密封用法兰
英文名称:Flanges for sealing outer diameters of steel pipes
标准号:JB/ZQ 4490-2006
发布日期:
实施日期:
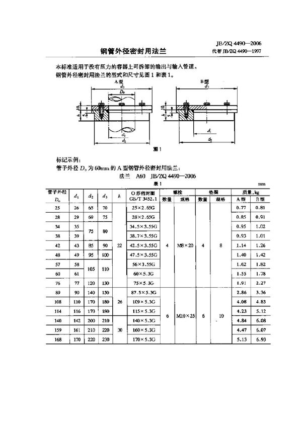
本标准适用于没有压力的容器上可拆卸的输出与输入管道。

JB/ZQ 4490-2006标准基本信息
标准名称:钢管外径密封用法兰
英文名称:Flanges for sealing outer diameters of steel pipes
标准号:JB/ZQ 4490-2006
发布日期:
实施日期:
本标准适用于没有压力的容器上可拆卸的输出与输入管道。

声明:资源收集自用户分享或网络,仅为个人学习参考使用,如侵犯您的权益,请联系我们处理。
不能下载?报告错误