JB/ZQ 4491-2006标准基本信息
标准名称:焊接法兰座板
英文名称:Welded flange base plates
标准号:JB/ZQ 4491-2006
发布日期:
实施日期:
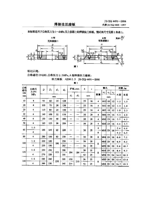
本标准适用于公称压力为l~4MPa压力容器上的焊接法兰座板。

JB/ZQ 4491-2006标准基本信息
标准名称:焊接法兰座板
英文名称:Welded flange base plates
标准号:JB/ZQ 4491-2006
发布日期:
实施日期:
本标准适用于公称压力为l~4MPa压力容器上的焊接法兰座板。

声明:资源收集自用户分享或网络,仅为个人学习参考使用,如侵犯您的权益,请联系我们处理。
不能下载?报告错误