JB/ZQ 4517-2006标准基本信息
标准名称:管子用支架(可拆型)
英文名称:Pipe supports (removable)
标准号:JB/ZQ 4517-2006
发布日期:
实施日期:
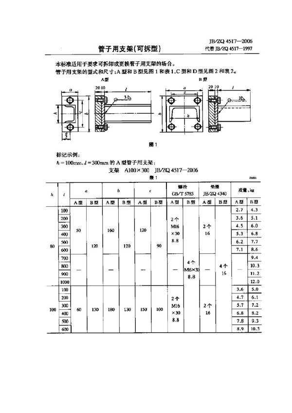
本标准适用于要求可拆卸或更换管子用支架的场合。

JB/ZQ 4517-2006标准基本信息
标准名称:管子用支架(可拆型)
英文名称:Pipe supports (removable)
标准号:JB/ZQ 4517-2006
发布日期:
实施日期:
本标准适用于要求可拆卸或更换管子用支架的场合。

声明:资源收集自用户分享或网络,仅为个人学习参考使用,如侵犯您的权益,请联系我们处理。
不能下载?报告错误