当前位置:首页 > 行业标准 > JB/T 4302-1991

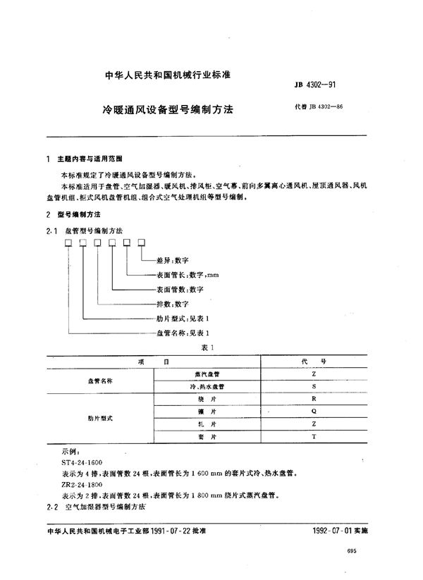
JB/T 4302-1991 冷暖通风设备 型号编制方法

JB/T 4302-1991标准基本信息

标准名称:冷暖通风设备 型号编制方法

标准号:JB/T 4302-1991

发布日期:

实施日期:1992-7-1

代替标准:JB 4302-1986

JB/T 4302-1991 冷暖通风设备  型号编制方法

声明:资源收集自用户分享或网络,仅为个人学习参考使用,如侵犯您的权益,请联系我们处理。

不能下载?报告错误