当前位置:首页 > 行业标准 > YB/T 017-1992

YB/T 017-1992 液压泥炮技术条件

YB/T 017-1992标准基本信息

标准名称:液压泥炮技术条件

标准号:YB/T 017-1992

发布部门:

起草单位:

发布日期:

实施日期:

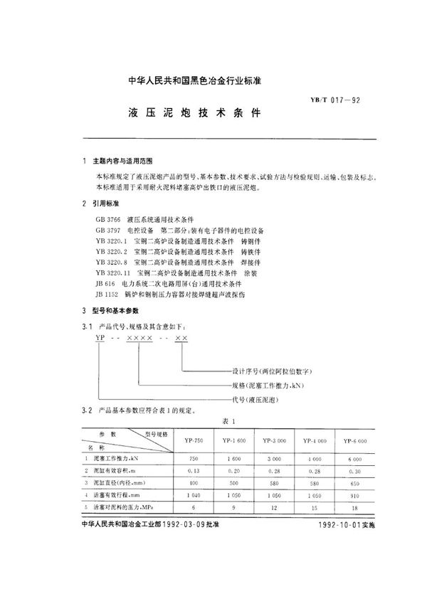
YB/T 017-1992 液压泥炮技术条件

声明:资源收集自用户分享或网络,仅为个人学习参考使用,如侵犯您的权益,请联系我们处理。

不能下载?报告错误