当前位置:首页 > 行业标准 > YB/T 5152-1993

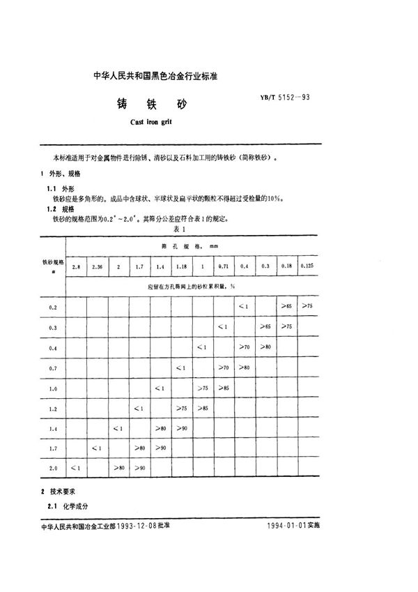
YB/T 5152-1993 铸铁砂

YB/T 5152-1993标准基本信息

标准名称:铸铁砂

标准号:YB/T 5152-1993

发布部门:

起草单位:

发布日期:

实施日期:

YB/T 5152-1993 铸铁砂

声明:资源收集自用户分享或网络,仅为个人学习参考使用,如侵犯您的权益,请联系我们处理。

不能下载?报告错误