当前位置:首页 > 行业标准 > CB 408-1965

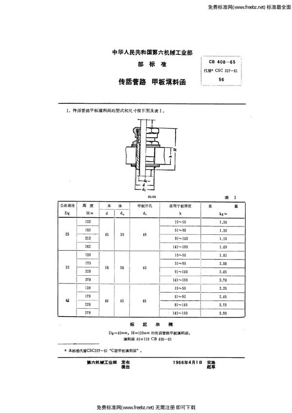
CB 408-1965 传话管路甲板填料函

CB 408-1965标准基本信息

标准名称:传话管路甲板填料函

标准号:CB 408-1965

发布部门:

起草单位:

发布日期:

实施日期:

CB 408-1965 传话管路甲板填料函

声明:资源收集自用户分享或网络,仅为个人学习参考使用,如侵犯您的权益,请联系我们处理。

不能下载?报告错误