免费标准网 - 标准下载、免费文档下载网站
搜索
当前位置:
首页
>
行业标准
> CB 351-1964
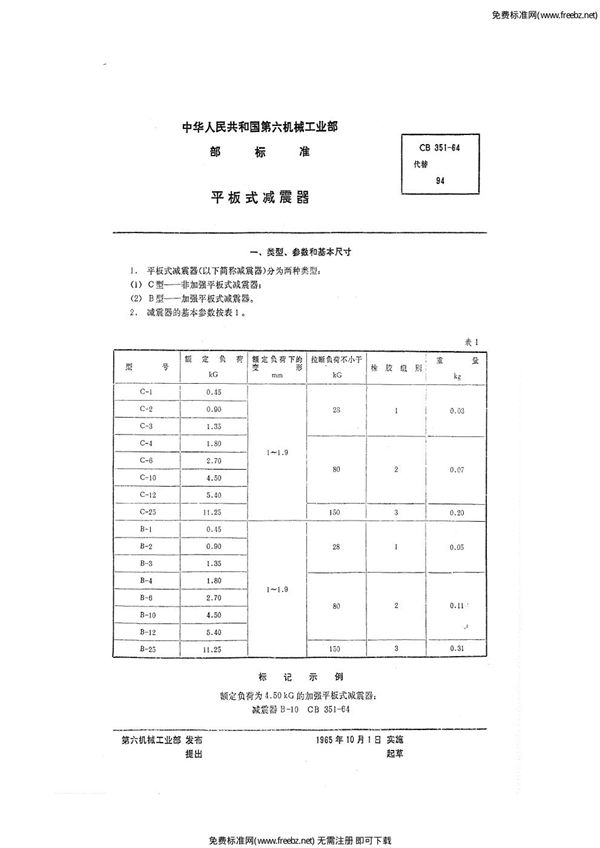
CB 351-1964 平板式减震器
CB 351-1964标准基本信息
标准名称:平板式减震器
标准号:CB 351-1964
收藏
下载
声明:资源收集自用户分享或网络,仅为个人学习参考使用,如侵犯您的权益,请联系我们处理。
不能下载?报告错误
翻页:
CB 261-1962 圆形钢支柱 型式及基本尺寸
相关内容
T/WZSJD 2328-2024 平板式大口径闸门
QJ 34-1987 平板式地脚螺栓
T/CAMDI 102-2023 医疗器械用泡罩包装机 平板式
DB34/T 4214-2022 无沟凼平板式稻田克氏原螯虾养殖技术规程
SJ 21200-2016 平板式等离子体增强化学气相淀积设备通用规范
下载
免费下载
收藏
报错
热门标签
疏水阀
螺丝
过滤器
花键
锅炉
进出口
管件
圆钢
不锈钢管
仪表
电缆
螺栓
甲醛
材料验收
钢管
手孔
垫片
阻燃
国标
行业
地方
团体
企业
计量
手册
建设
文档
首页