当前位置:首页 > 行业标准 > HB 7032.8-1994

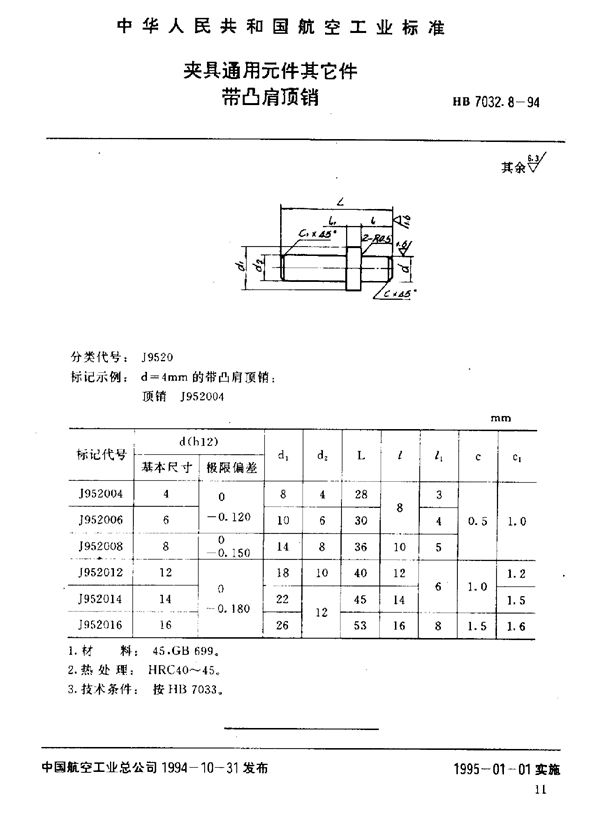
HB 7032.8-1994 夹具通用元件其它件 带凸肩顶销

HB 7032.8-1994标准基本信息

标准名称:夹具通用元件其它件 带凸肩顶销

标准号:HB 7032.8-1994

HB 7032.8-1994 夹具通用元件其它件 带凸肩顶销

声明:资源收集自用户分享或网络,仅为个人学习参考使用,如侵犯您的权益,请联系我们处理。

不能下载?报告错误