当前位置:首页 > 行业标准 > HB 7344.38-1996

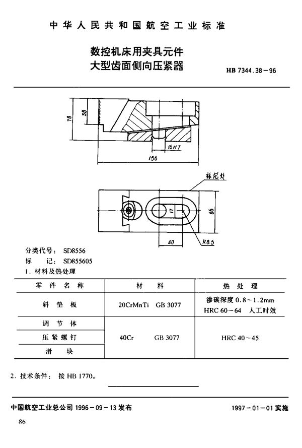
HB 7344.38-1996 数控机床用夹具元件 大型齿面倒向压紧器

HB 7344.38-1996标准基本信息

标准名称:数控机床用夹具元件 大型齿面倒向压紧器

标准号:HB 7344.38-1996

HB 7344.38-1996 数控机床用夹具元件 大型齿面倒向压紧器

声明:资源收集自用户分享或网络,仅为个人学习参考使用,如侵犯您的权益,请联系我们处理。

不能下载?报告错误