免费标准网 - 标准下载、免费文档下载网站
搜索
当前位置:
首页
>
行业标准
> HB 3180-1992
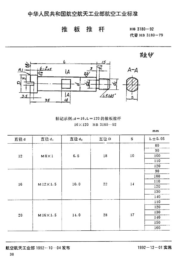
HB 3180-1992 推板推杆
HB 3180-1992标准基本信息
标准名称:推板推杆
标准号:HB 3180-1992
收藏
下载
声明:资源收集自用户分享或网络,仅为个人学习参考使用,如侵犯您的权益,请联系我们处理。
不能下载?报告错误
翻页:
HB 3181-1992 复位杆
相关内容
HB 3180-1992 推板推杆
下载
免费下载
收藏
报错
热门标签
口罩
管道工程
土方机械
电缆
无缝钢管
甲醛
球墨铸铁管
仪表
无损检测
平垫圈
角钢
不锈钢
钢铁
法兰
食用盐
螺母
螺纹
电动自行车
国标
行业
地方
团体
企业
计量
手册
建设
文档
首页