免费标准网 - 标准下载、免费文档下载网站
搜索
当前位置:
首页
>
行业标准
> HB 4380-1989
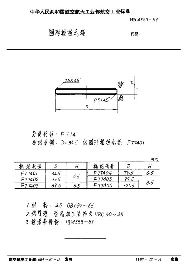
HB 4380-1989 圆形推板毛坯
HB 4380-1989标准基本信息
标准名称:圆形推板毛坯
标准号:HB 4380-1989
收藏
下载
声明:资源收集自用户分享或网络,仅为个人学习参考使用,如侵犯您的权益,请联系我们处理。
不能下载?报告错误
翻页:
HB 4381-1989 套筒扳手组件
相关内容
HB 4380-1989 圆形推板毛坯
下载
免费下载
收藏
报错
热门标签
门窗
牛奶
压力容器
螺母
气体
机械制图
食用盐
排放
垫圈
阀门
锻造
玩具
螺丝
铸造
吊环
热电偶
中心孔
食品安全
国标
行业
地方
团体
企业
计量
手册
建设
文档
首页