免费标准网 - 标准下载、免费文档下载网站
搜索
当前位置:
首页
>
行业标准
> HB 4376-1989
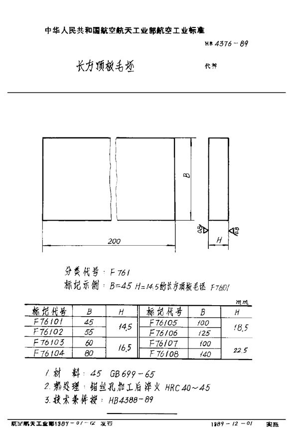
HB 4376-1989 长方推板毛坯
HB 4376-1989标准基本信息
标准名称:长方推板毛坯
标准号:HB 4376-1989
收藏
下载
声明:资源收集自用户分享或网络,仅为个人学习参考使用,如侵犯您的权益,请联系我们处理。
不能下载?报告错误
翻页:
HB 4377-1989 正方推板毛坯
相关内容
HB 4376-1989 长方推板毛坯
HB 4378-1989 A型长方推板毛坯
HB 4379-1989 B型长方推板毛坯
HB 4363-1989 长方推板
下载
免费下载
收藏
报错
热门标签
暖通空调
疏水阀
电动自行车
球墨铸铁管
机械制图
无缝管
近期更新
锅炉
锻造
质量管理体系
平键
给水排水
人孔
进出口
螺纹
压缩机
管螺纹
排放
国标
行业
地方
团体
企业
计量
手册
建设
文档
首页