当前位置:首页 > 行业标准 > HB 4532.1-1991

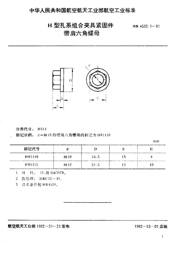
HB 4532.1-1991 H型孔系组合夹具紧固件 带肩六角螺母

HB 4532.1-1991标准基本信息

标准名称:H型孔系组合夹具紧固件 带肩六角螺母

标准号:HB 4532.1-1991

HB 4532.1-1991 H型孔系组合夹具紧固件 带肩六角螺母

声明:资源收集自用户分享或网络,仅为个人学习参考使用,如侵犯您的权益,请联系我们处理。

不能下载?报告错误