免费标准网 - 标准下载、免费文档下载网站
搜索
当前位置:
首页
>
行业标准
> HB 3631-1985
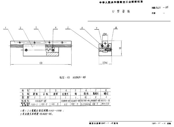
HB 3631-1985 U型溜板
HB 3631-1985标准基本信息
标准名称:U型溜板
标准号:HB 3631-1985
收藏
下载
声明:资源收集自用户分享或网络,仅为个人学习参考使用,如侵犯您的权益,请联系我们处理。
不能下载?报告错误
翻页:
HB 3632-1985 U型溜板
相关内容
HB 3631-1985 U型溜板
HB 3632-1985 U型溜板
下载
免费下载
收藏
报错
热门标签
无缝钢管
粉煤灰
材料验收
垫片
管道工程
锻造
pvc
法兰
探伤
机械制图
蝶阀
电气
牛奶
门窗
电源线
封头
照明
铆钉
国标
行业
地方
团体
企业
计量
手册
建设
文档
首页