当前位置:首页 > 行业标准 > HB 3342-1981

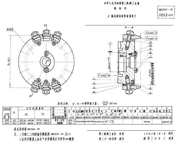
HB 3342-1981 6"弧齿锥齿轮单面盘铣刀

HB 3342-1981标准基本信息

标准名称:6"弧齿锥齿轮单面盘铣刀

标准号:HB 3342-1981

HB 3342-1981 6"弧齿锥齿轮单面盘铣刀

声明:资源收集自用户分享或网络,仅为个人学习参考使用,如侵犯您的权益,请联系我们处理。

不能下载?报告错误