免费标准网 - 标准下载、免费文档下载网站
搜索
当前位置:
首页
>
行业标准
> HB 3834-1986
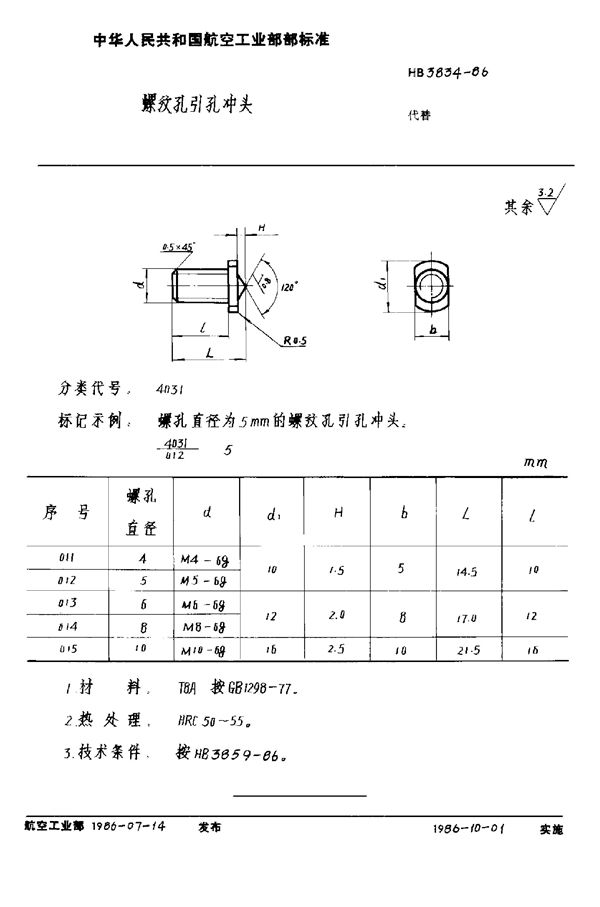
HB 3834-1986 螺纹孔引孔冲头
HB 3834-1986标准基本信息
标准名称:螺纹孔引孔冲头
标准号:HB 3834-1986
收藏
下载
声明:资源收集自用户分享或网络,仅为个人学习参考使用,如侵犯您的权益,请联系我们处理。
不能下载?报告错误
翻页:
HB 3807-1986 150°螺钉窝锪钻 D=2~5
相关内容
QC/T 1178-2022 汽车和挂车 气压制动系统 螺纹孔和管接头
QC/T 764-2015 道路车辆 液压制动系统 单喇叭口金属管、螺纹孔、螺纹接头及软管端部接头
QC/T 960.1-2013 道路车辆 液压制动系统 第1部分:双喇叭金属管、螺纹孔、螺纹管接头和管座
HB 4264-2004 安装钢丝螺套螺纹孔用丝锥通用规范
HB 3834-1986 螺纹孔引孔冲头
下载
免费下载
收藏
报错
热门标签
工作场所
压力容器
门窗
弯头
食品安全
工业自动化
给水排水
螺栓
材料验收
插头
管件
圆钢
花键
阻燃
锁紧螺母
管道
胶合板
联轴器
国标
行业
地方
团体
企业
计量
手册
建设
文档
首页