免费标准网 - 标准下载、免费文档下载网站
搜索
当前位置:
首页
>
行业标准
> HB 4346-1989
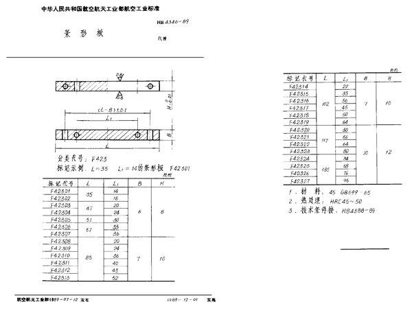
HB 4346-1989 条形板
HB 4346-1989标准基本信息
标准名称:条形板
标准号:HB 4346-1989
收藏
下载
声明:资源收集自用户分享或网络,仅为个人学习参考使用,如侵犯您的权益,请联系我们处理。
不能下载?报告错误
翻页:
HB 5470-1991 民用飞机舱内非金属材料燃烧性能要求
相关内容
宁02J2-2墙身(二)轻质条形板(GRC、SRC条形板)少P9、10
HB 4346-1989 条形板
下载
免费下载
收藏
报错
热门标签
安全
中心孔
锻造
热电偶
路桥
工程结构
钢铁
螺栓
钢丝螺套
建筑节能
t型槽
检测规范
退刀槽
电动车
不锈钢
会议
机械制图
弯头
国标
行业
地方
团体
企业
计量
手册
建设
文档
首页