免费标准网 - 标准下载、免费文档下载网站
搜索
当前位置:
首页
>
行业标准
> HB 4133-1988
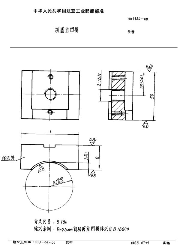
HB 4133-1988 切圆角凹模
HB 4133-1988标准基本信息
标准名称:切圆角凹模
标准号:HB 4133-1988
收藏
下载
声明:资源收集自用户分享或网络,仅为个人学习参考使用,如侵犯您的权益,请联系我们处理。
不能下载?报告错误
翻页:
HB/Z 5086.7-2000 氰化电镀铜溶液分析方法 原子吸收光谱法测定铅的含量
相关内容
HB 4133-1988 切圆角凹模
HB 4120-1988 切圆角凸模
HB 4121-1988 板式切圆角凸模
下载
免费下载
收藏
报错
热门标签
油脂
暖通空调
甲醛
热处理
仪器
重型机械
无损检测
花键
压缩机
材料验收
抽样检验
门窗
垫片
疏水阀
线材
钢结构
胶合板
电器
国标
行业
地方
团体
企业
计量
手册
建设
文档
首页