免费标准网 - 标准下载、免费文档下载网站
搜索
当前位置:
首页
>
行业标准
> HB 4105-1988
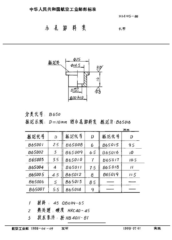
HB 4105-1988 小孔卸料套
HB 4105-1988标准基本信息
标准名称:小孔卸料套
标准号:HB 4105-1988
收藏
下载
声明:资源收集自用户分享或网络,仅为个人学习参考使用,如侵犯您的权益,请联系我们处理。
不能下载?报告错误
翻页:
HB 4106-1988 外套
相关内容
HB 4105-1988 小孔卸料套
下载
免费下载
收藏
报错
热门标签
抽样
家具
压力容器
食品添加剂
近期更新
钢丝绳
玻璃
粉煤灰
型钢
花键
检测规范
建筑节能
热电偶
联轴器
垫片
t型槽
手孔
探伤
国标
行业
地方
团体
企业
计量
手册
建设
文档
首页