当前位置:首页 > 行业标准 > SJ 1659-1980

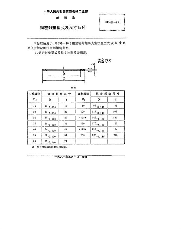
SJ 1659-1980 铜密封垫型式及尺寸系列

SJ 1659-1980标准基本信息

标准名称:铜密封垫型式及尺寸系列

标准号:SJ 1659-1980

SJ 1659-1980 铜密封垫型式及尺寸系列

声明:资源收集自用户分享或网络,仅为个人学习参考使用,如侵犯您的权益,请联系我们处理。

不能下载?报告错误