当前位置:首页 > 行业标准 > FZ/T 90028-1991

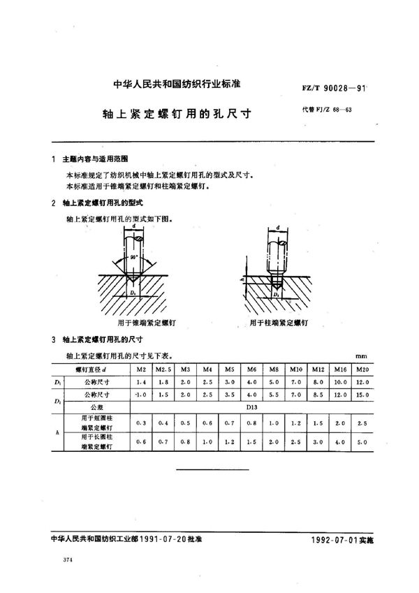
FZ/T 90028-1991 轴上紧定螺钉用的孔尺寸

FZ/T 90028-1991标准基本信息

标准名称:轴上紧定螺钉用的孔尺寸

标准号:FZ/T 90028-1991

发布部门:

起草单位:

发布日期:

实施日期:

FZ/T 90028-1991 轴上紧定螺钉用的孔尺寸

声明:资源收集自用户分享或网络,仅为个人学习参考使用,如侵犯您的权益,请联系我们处理。

不能下载?报告错误