免费标准网 - 标准下载、免费文档下载网站
搜索
当前位置:
首页
>
行业标准
> SC 4-1986
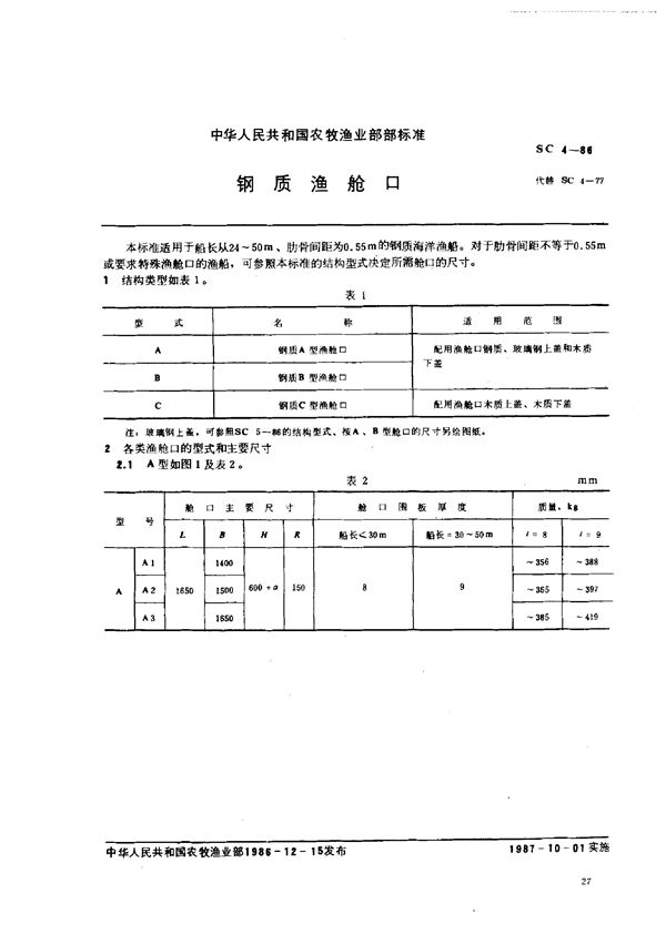
SC 4-1986 钢质渔舱口
帮助
收藏
举报
上传文档
下载
预览图
SC 4-1986标准基本信息
标准名称:钢质渔舱口
标准号:SC 4-1986
收藏
下载
声明:本站为网络服务提供者及网络索引服务平台资源索引自网络/用户分享,如有版权问题,请
联系
站方删除。
不能下载?报告错误
翻页:
SC 5-1986 渔舱舱口盖
相关内容
DB37/T 418-2004 钢质渔船鱼舱绝热层结构节点及安装技术要求
SC/T 8060-2001 钢质渔船船体结构节点
SC/T 8004-2000 钢质渔船鱼舱口
SC 4-1986 钢质渔舱口
SC/T 8078-1994 钢质渔船船体建造精度
下载
免费下载
用户名称:
-李明1163
注册时间:
2025-11-30
认证方式:
手机认证
资源帮助
上传文档
热门标签
WH(文化)
动平衡
成像技术
布线
地方计量检定
规划设计
甘肃省
暖通空调
南方电网企业标准
DY(电影)
安徽省
玻璃幕墙图集
建筑图集
批发和零售业
建筑业
河南省
行业计量技术
农、林、牧、渔业
国标
行业
地方
团体
企业
计量
手册
建设
文档
首页