JB/ZQ 4500-1986标准基本信息
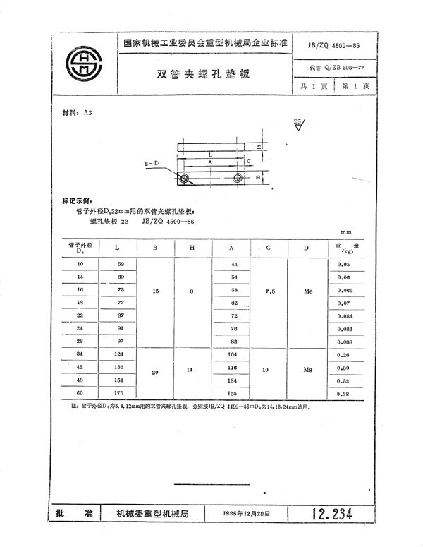
标准名称:双管夹螺孔垫板
标准号:JB/ZQ 4500-1986
标准格式:PDF
标准分类:行业标准
标准大小:55.23 KB
JB/ZQ 4500-1986 双管夹螺孔垫板

JB/ZQ 4500-1986标准基本信息
标准名称:双管夹螺孔垫板
标准号:JB/ZQ 4500-1986
标准格式:PDF
标准分类:行业标准
标准大小:55.23 KB
JB/ZQ 4500-1986 双管夹螺孔垫板

声明:资源收集自用户分享或网络,仅为个人学习参考使用,如侵犯您的权益,请联系我们处理。
不能下载?报告错误