HG/T 3191-1980标准基本信息
标准名称:石墨直管
标准号:HG/T 3191-1980
标准格式:PDF
标准分类:行业标准
标准大小:45.45 KB
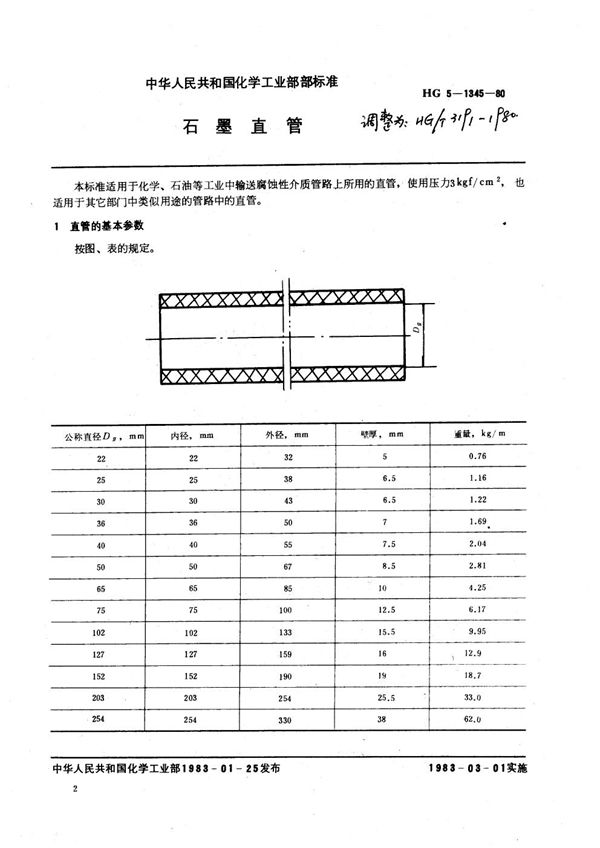
HG/T 3191-1980 石墨直管

HG/T 3191-1980标准基本信息
标准名称:石墨直管
标准号:HG/T 3191-1980
标准格式:PDF
标准分类:行业标准
标准大小:45.45 KB
HG/T 3191-1980 石墨直管

声明:资源收集自用户分享或网络,仅为个人学习参考使用,如侵犯您的权益,请联系我们处理。
不能下载?报告错误