当前位置:首页 > 行业标准 > QB/T 1205-1991

QB/T 1205-1991 标枪

QB/T 1205-1991标准基本信息

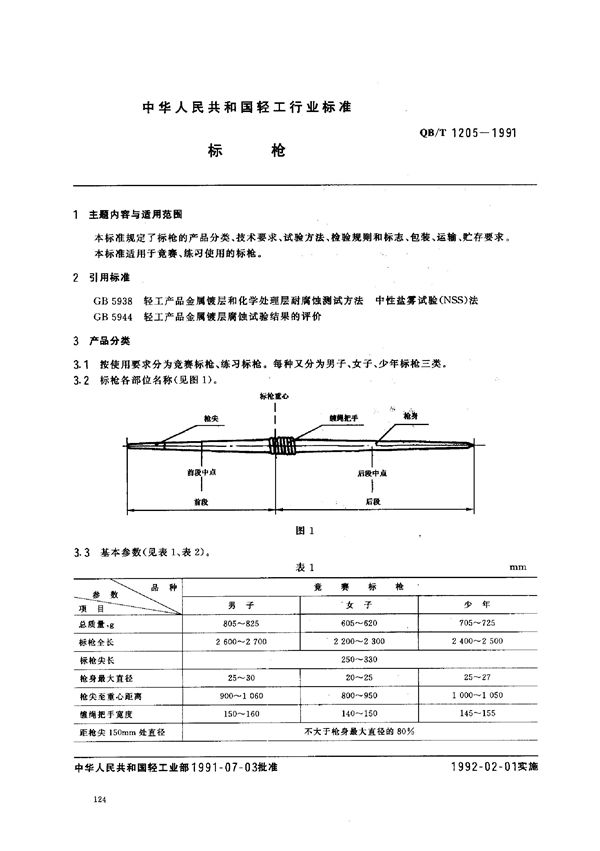
标准名称:标枪

标准号:QB/T 1205-1991

标准格式:PDF

标准分类:行业标准

标准大小:138.95 KB

QB/T 1205-1991 标枪

QB/T 1205-1991 标枪

声明:资源收集自用户分享或网络,仅为个人学习参考使用,如侵犯您的权益,请联系我们处理。

不能下载?报告错误
相关内容