TB 1549.8-1984标准基本信息
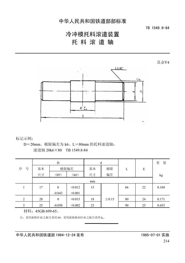
标准名称:冷冲模托料滚道装置 托料滚道轴
标准号:TB 1549.8-1984
标准格式:PDF
标准分类:行业标准
标准大小:68.2 KB
TB 1549.8-1984 冷冲模托料滚道装置 托料滚道轴

TB 1549.8-1984标准基本信息
标准名称:冷冲模托料滚道装置 托料滚道轴
标准号:TB 1549.8-1984
标准格式:PDF
标准分类:行业标准
标准大小:68.2 KB
TB 1549.8-1984 冷冲模托料滚道装置 托料滚道轴

声明:资源收集自用户分享或网络,仅为个人学习参考使用,如侵犯您的权益,请联系我们处理。
不能下载?报告错误