当前位置:首页 > 行业标准 > HB 1527-1987

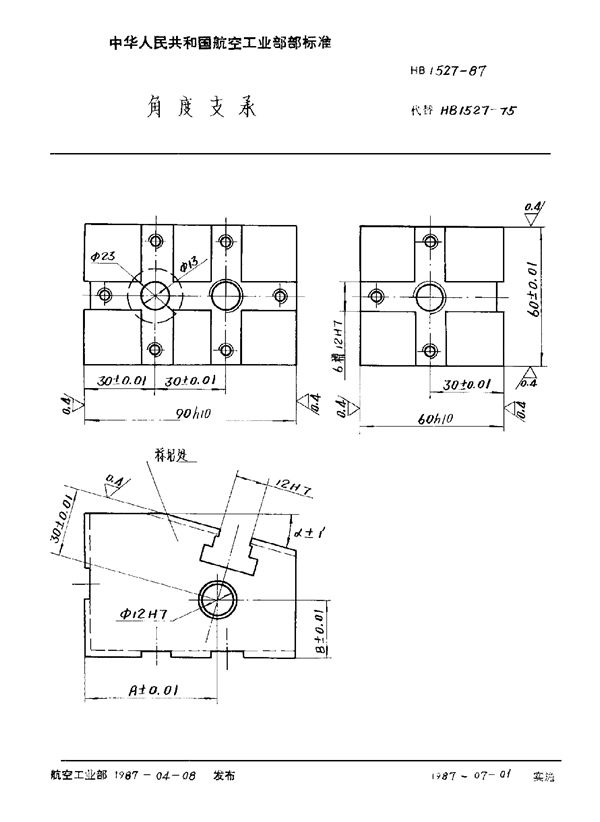
HB 1527-1987 角度支承

HB 1527-1987标准基本信息

标准名称:角度支承

标准号:HB 1527-1987

标准格式:PDF

标准分类:行业标准

标准大小:36.33 KB

HB 1527-1987 角度支承

HB 1527-1987 角度支承

声明:资源收集自用户分享或网络,仅为个人学习参考使用,如侵犯您的权益,请联系我们处理。

不能下载?报告错误