HB 1654-1987标准基本信息
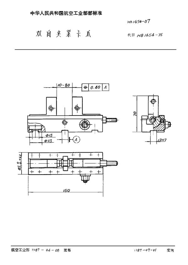
标准名称:双向夹紧卡爪
标准号:HB 1654-1987
标准格式:PDF
标准分类:行业标准
标准大小:27.83 KB
HB 1654-1987 双向夹紧卡爪

HB 1654-1987标准基本信息
标准名称:双向夹紧卡爪
标准号:HB 1654-1987
标准格式:PDF
标准分类:行业标准
标准大小:27.83 KB
HB 1654-1987 双向夹紧卡爪

声明:资源收集自用户分享或网络,仅为个人学习参考使用,如侵犯您的权益,请联系我们处理。
不能下载?报告错误